Червячный мотор-редуктор NMRV 150

Мотор-редукторы NMRV

Привод NMRV 150 обеспечивает крутящий момент до 1800 Нм. Комплектуется мотор-редуктор асинхронными двигателями до 15 кВт. Возможна установка двигателей с электромагнитным тормозом или двигателей во взрывобезопасном исполнении. Выходной вал полый диаметром 50 мм. В качестве опций на редуктор можно устанавливать цилиндрические валы, фланцы, а также реактивные штанги. Корпус редуктора изготовлен методом литья из чугуна.

Вернуться в общее описание

 

Редукторы NMRV имеют следующие типоразмеры:

nmrv 030, nmrv 040, nmrv 050, nmrv 063, nmrv 075, nmrv 090, nmrv 110, nmrv 130, nmrv 150

  • Типоразмер - 150 - изготавливается из серого чугуна, с последующей механической обработкой;
  • Нагрузочная способность в соответствии с: ISO 14521, ISO 6336, DIN 3990, DIN 743, ISO 281, DIN 3996, BS 721, AGMA 6034;
  • Передаточное отношение - 7,5 - 100;
  • Мощность электродвигателя - 1,1 - 15,0 квт;
  • Момент на выходном валу - 330 - 1800 Нм;
  • Окраска редуктора синяя - RAL 5010.

 

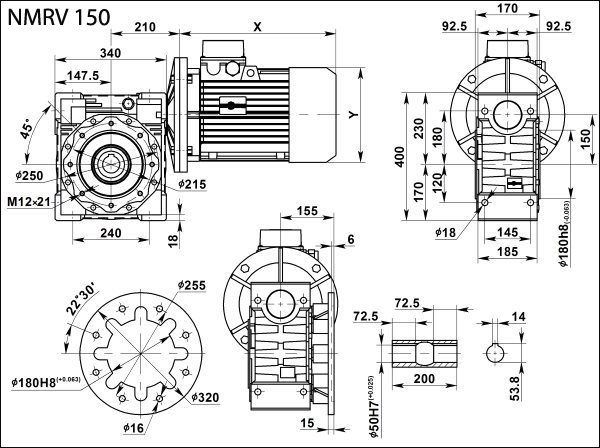
Габаритные и присоединительные размеры NMRV 150

Габаритные и присоединительные размеры NMRV 150

 

Выходные обороты и мощность электродвигателя

Мощность электродвигателя в кВт
Скорость вращения выходного вала в об/мин
Момент на выходном валу в Нм
Сервис-фактор s/f
Передаточное отношение - i
Габарит и количество полюсов электродвигателя
Максимальная радиальная нагрузка на выходной вал
2,2
28.0
570
2.5
50
100LA4
13103
23.3
657
1.9
60
13924
17.5
816
1.4
80
15325
14.0
960
1.0
100
16508
3
28.0
778
1.8
50
100LB4
13103
23.3
896
1.4
60
13924
17.5
1113
1.0
80
15325
14.0
1310
0.8
100
16508
4
28.0
1037
1.4
50
112M4
13103
23.3
1195
1.1
60
13924
17.5
1484
0.8
80
15325
5,5
70.0
645
2.0
20
132S4
9654
56.0
788
1.5
25
10400
46.7
934
1.3
30
11051
35.0
1171
1.3
40
12163
28.0
1426
1.0
50
13103
23.3
1643
0.8
60
13924
7,5
70.0
880
1.5
20
132M4
9654
56.0
1074
1.1
25
10400
46.7
1274
0.9
30
11051
35.0
1596
1.0
40
12163
11
186.7
512
2.3
7.5
160M4
6962
140.0
675
1.8
10
7663
93.3
990
1.3
15
8771
70.0
1291
1.0
20
9654
56.0
1576
0.8
25
10400
15
186.7
698
1.7
7.5
160L4
6962
140.0
921
1.3
10
7663
93.3
1351
0.9
15
8771
70.0
1760
0.7
20
9654

 

Пример заказа редуктора:

NMRV - 150 - 7,5 - 187 - 11,0 - B3

NMRV - модель червячного редуктора
150 - габарит межцентровое расстояние в мм
7,5 - передаточное число
187- скорость вращения выходного вала, об/мин
11,0 - мощность электродвигателя, кВт
B3 - расположение в пространстве

 

 
© 2014 Редукторы, мотор-редукторы, устройства плавного пуска, преобразователи частоты